CNC Machining Guide: From Design to Finished Part

CNC machining (Computer Numerical Control) has been widely used in aerospace, automotive, medical, electronics, and even DIY maker projects. If you are considering using CNC machining for your own designs, or want to better understand the process from drawing to finished part, this guide will walk you through every step.

Table of Contents

  1. Start with the Design
  2. Drawing Symbols and Annotations
  3. Thread Requirements & Standards
  4. Material Selection
  5. CNC Programming
  6. CNC Processes Explained
  7. Surface Finishing – More Than Just Looks
  8. Quality Control
  9. Conclusion

Start with the Design

Prepare the right 3D files and drawings.
CNC machining always starts with a good design. Typically, you need:
· 3D model files: Common formats include STEP (.step/.stp), IGES (.iges/.igs), Parasolid (.x_t) – the most widely accepted neutral formats for CNC machining.
· 2D engineering drawings: Used to specify dimensions, tolerances, surface finish, threads, and other key requirements. Common formats are PDF or DWG.
Tips:
① If you only have a hand sketch, you can ask a designer (or us) to convert it into a manufacturable 3D file.
② Consider tolerances and materials during the design stage to avoid costly redesigns.
③ Keep manufacturability in mind — avoid unnecessary deep blind holes or overly complex features.

Start with the Design
Start with the Design

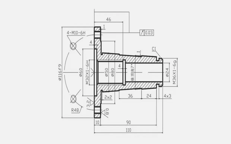
Drawing Symbols and Annotations

Understanding drawing symbols is critical — they determine whether the finished part meets your requirements. Common symbols include:± – Dimensional tolerance range
⌀ – Diameter (e.g. ⌀10 = Ø10mm hole).
R – Radius (e.g. R5 = 5mm radius arc).
SR – Spherical radius.
⌒ – Arc length.
⌴ – Surface roughness (Ra1.6, Ra3.2) – lower value = smoother finish.
CHAMFER / C – Chamfer (e.g. 0.5 × 45°).
DEBURR – Remove sharp edges/burrs.
SECTION A-A – Section view.
SEE DETAIL B – Enlarged detail view.
Geometric tolerances – ∥ (parallelism), ⊥ (perpendicularity), ⌯ (concentricity).
Knowing these symbols ensures you communicate your design intent clearly and avoid misunderstandings with the manufacturer.

Drawing Symbols and Annotations
Drawing Symbols and Annotations

Thread Requirements & Standards

Threads are one of the most common CNC machining features. Major standards include:
· Metric threads (M series): e.g. M6×1, M10×1.5
· Imperial threads (UNC/UNF): e.g. 1/4-20 UNC
· Pipe threads (G, NPT): used for fluid connections
Always specify thread size, depth, and gauge requirement (Go/No-Go) on your drawing to ensure proper fit.

Material Selection

Material choice impacts part performance, durability, and cost. Common materials include:

· Aluminum alloys (6061, 7075): Lightweight, corrosion-resistant, cost-effective — popular for aerospace and automotive lightweight parts.

· Stainless steel (304, 316, 17-4PH): High strength, corrosion-resistant — ideal for medical devices and food equipment.

· Steel (45#, 4140, P20): High strength — for load-bearing parts or molds.

· Plastics (POM, PEEK, ABS): Lightweight, electrically insulating — used in medical and electronic components.
Tips:
①Choose common materials with standard tolerances for lower cost.
②Select high-strength or high-temperature materials for demanding applications.

Material Selection
Material Selection

CNC Programming

After the design is finalized, engineers use CAM software (MasterCAM, UG NX, Fusion 360) to generate toolpaths.

· G-code is created to tell the machine how to move the cutting tool, set spindle speeds, and depth of cut.

· The CNC controller executes the G-code, carrying out milling, turning, drilling, and other operations.
Programming is a highly specialized process and is the key to achieving precision machining.

CNC Programming
CNC Programming

CNC Processes Explained

Common CNC machining processes include:

· Turning: Best for cylindrical parts

· Milling: For flat surfaces, slots, and complex geometries

· 5-Axis Machining: Ideal for complex aerospace components and curved surfaces

· Drilling / Tapping: For holes and threads
Choosing the right process reduces costs and lead time.

Surface Finishing – More Than Just Looks

Surface finishing improves corrosion resistance, wear resistance, and appearance. Common finishes include:

· Anodizing: Forms an oxide layer on aluminum, improves corrosion resistance

· Plating (Nickel/Zinc/Chrome): Increases surface hardness, protects against rust

· Sandblasting: Creates a matte texture, hides machining marks

· Polishing: Improves surface shine
Note:
①Different materials require different surface treatments (e.g. carbon steel cannot be anodized).
②Surface finishing can slightly change dimensions — tolerance compensation is needed.

Quality Control
Quality Control

Quality Control

Quality control is the final step to ensure accuracy. In our factory, QC includes:

· First Article Inspection (FAI): Full dimension check after first part to confirm setup

· In-Process Inspection: Periodic checks during production to prevent defects

· Final Inspection: 100% check for functional parts, sampling for appearance parts, 100% visual check for all surfaces
Strict quality control ensures every part meets customer requirements.

Conclusion

CNC machining is a complete and systematic process. From design, drawings, material selection, programming, machining, surface finishing, to inspection — every step affects the final quality.
Choosing an experienced CNC supplier with standardized processes helps you reduce communication costs, minimize rework, and get your product to market faster.

REKO Global CNC Machining Services :
On-Demand Quality Manufacturing in China

99% Quality and service satisfaction

0.2% Shipment issue(good package)

Quick Responses & Effective Solutions

Real Factory welcome visit

REKO is a high-quality CNC machining factory from Shenzhen, China. It was established in 2016. We provide CNC turning, milling, five-axis machining and other services. We have long-term cooperative suppliers to provide customers with a variety of surface treatment processes including anodizing, electroplating, sandblasting, heat treatment and other services. Need CNC machining services? Contact us today for high-precision custom parts!